CSG(CSF)型諧波減速器軸承
- 外圈被分成兩片,內圈為整體結構,安裝時不需要法蘭和軸承座,主要應用在CSG和CSF系列的各類減速器輸出部位。
bearing@hyzcgroup.com
18837917076
- 產品詳情
諧波減速器軸承包括剛性軸承和柔性軸承兩大類型,剛性軸承包含四種系列,CSG(CSF)系列、CSD系列、SHG(SHF)系列、SHD系列,其命名方式采用減速器的命名;柔性軸承的命名為HYR。
諧波減速器用剛性軸承為交叉圓柱滾子結構,根據其使用場合分為外圈分體、內圈整體,外圈、內圈都是整體兩大類;滾動體為圓柱滾子,互成90°垂直排列在V型滾道中,這種結構的軸承可同時承受軸向載荷、徑向載荷和傾覆力矩等各個方向的載荷,軸承具有高精度、高剛性以及復合承載能力。
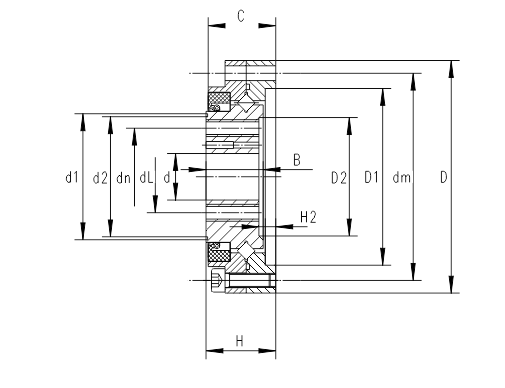
CSG(CSF)型(外圈分體、內圈整體)
外圈被分成兩片,內圈為整體結構,安裝時不需要法蘭和軸承座,主要應用在CSG和CSF系列的各類減速器輸出部位。


| 軸承型號 | 外形尺寸 | 外圈安裝孔 | 內圈安裝孔 | 內圈安裝孔 | 基本額定載荷 | 質量 | 軸承型號 | |||||||||||||
| d | D | H | C | B | H2 | D1 | D2 | d1 | d2 | 中心徑dm | 安裝孔尺寸 | 中心徑dn | 安裝孔尺寸 | 中心徑dL | 安裝孔尺寸 | Cr | Cor | KG | ||
| 單位:mm | KN | KN | ||||||||||||||||||
| CSG(CSF)-14 | 11 | 55 | 16.5 | 16 | 13.5 | 4 | 41.8 | 29 | 29.8 | 28.4 | 49 | 8-φ3.5 | 23 | 6-M4 | 17 | 6-M4 | 7 | 9.1 | 0.15 | CSG(CSF)-14 |
| CSG(CSF)-17 | 10 | 62 | 16.5 | 16 | 13.5 | 4 | 49 | 34 | 33.8 | 33.8 | 56 | 10-φ3.5 | 27 | 6-M5 | 19 | 6-M5 | 7.6 | 10.7 | 0.24 | CSG(CSF)-17 |
| CSG(CSF)-20 | 14 | 70 | 16.5 | 16 | 13.5 | 4.5 | 56.5 | 41 | 40 | 40 | 64 | 12-φ3.5 | 32 | 8-M6 | 24 | 8-M5 | 8.5 | 13.4 | 0.2 | CSG(CSF)-20 |
| CSG(CSF)-25 | 20 | 85 | 18.5 | 18 | 16.5 | 3.5 | 67 | 535 | 52.6 | 52.6 | 79 | 16-φ3.5 | 42 | 8-M8 | 30 | 8-M6 | 13.8 | 21.6 | 0.45 | CSG(CSF)-25 |
| CSG(CSF)-32 | 26 | 112 | 22.5 | 21.5 | 19 | 4.5 | 90 | 68 | 68.6 | 68.6 | 104 | 16-φ4.5 | 55 | 8-M10 | 40 | 8-M8 | 12.5 | 35.6 | 0.9 | CSG(CSF)-32 |
| CSG(CSF)-40 | 32(24) | 126 | 24 | 22.5 | 21.5 | 4.5 | 105 | 86 | 81.2 | 81.2 | 117 | 20-φ5 | 68 | 8-M10 | 50 | 8-M10 | 25.9 | 41.4 | 1.3 | CSG(CSF)-40 |
| CSG(CSF)-50 | 40(32) | 157 | 31 | 30 | 28 | 5 | 131.6 | 103 | 102.6 | 102.6 | 147 | 16-φ5.5 | 84 | 8-M14 | 60 | 8-M14 | 49.5 | 85 | 2.8 | CSG(CSF)-50 |
| CSG(CSF)-65 | 52(44) | 210 | 39 | 37 | 35 | 7 | 176 | 132 | 132.6 | 132.6 | 198 | 20-φ6.6 | 110 | 8-M16 | 80 | 8-M16 | 74.6 | 133 | 7.9 | CSG(CSF)-65 |
- 在線詢價





